VIEGA PROFIPRESS G 2616.1 oblouk 90°, 18mm, lisovací, plyn, měď
Kód: 345549Související produkty
Detailní popis produktu
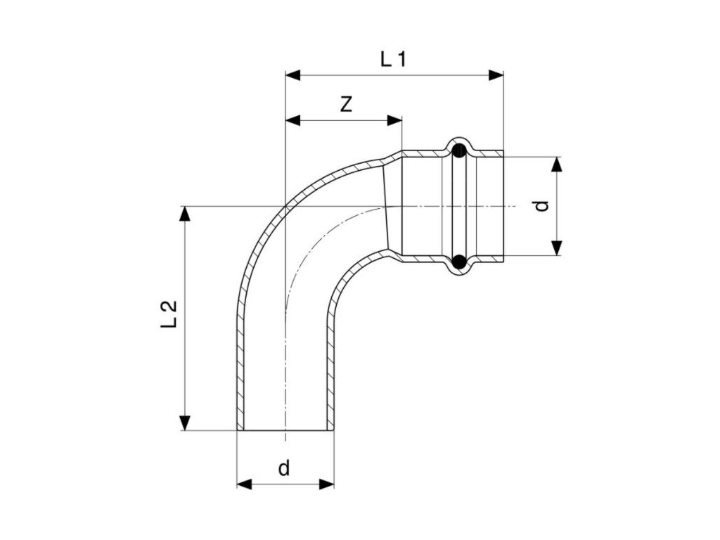
VIEGA PROFIPRESS G 2616.1 oblouk 90°, 18 mm je profesionální lisovací tvarovka určená pro změnu směru potrubí o 90° v plynových instalacích.
Tento typ tvarovky má vnitřní a vnější hrdlo, což umožňuje přímé propojení dvou trubek bez nutnosti přechodové spojky – ideální řešení pro montáže s důrazem na kompaktnost a rychlost instalace.
Tvarovka je určena pro měděné trubky o průměru 18 mm a patří do systému Viega Profipress G, který je vyvinut speciálně pro rozvody zemního plynu, propanu (LPG) a jiných plynných médií.
Díky lisovací technologii umožňuje montáž bez pájení a bez použití otevřeného ohně, což výrazně zvyšuje bezpečnost a zkracuje dobu instalace.
Tělo tvarovky je vyrobeno z kvalitní mědi Cu-DHP, která zaručuje dlouhou životnost, mechanickou pevnost a odolnost vůči korozi.
Těsnění je zajištěno pomocí žlutého O-kroužku z HNBR (Hydrogenated Nitrile Butadiene Rubber) – speciálního materiálu určeného výhradně pro plynové aplikace.
HNBR těsnění je vysoce odolné vůči uhlovodíkům, olejům, tlaku i teplotním výkyvům a zaručuje trvale těsný spoj.
Každá tvarovka Viega Profipress G je vybavena patentovanou bezpečnostní technologií SC-Contur (Safety Control Contour), která umožňuje odhalit nelisovaný spoj při tlakové zkoušce – naprostá jistota bezpečnosti a kvality montáže.
Použití:
-
rozvody zemního plynu a propanu (LPG),
-
domovní, komerční a průmyslové plynové systémy,
-
připojení spotřebičů, ventilů a měřidel,
-
nové instalace i rekonstrukce bez pájení.
Vlastnosti systému Viega Profipress G:
-
Certifikováno pro plynové rozvody dle EN 1775,
-
SC-Contur – bezpečnostní kontrola lisovaných spojů,
-
HNBR těsnění (žluté) – určeno výhradně pro plyn,
-
Měď Cu-DHP – vysoká pevnost, trvanlivost a korozní odolnost,
-
Kompatibilní s lisovacími profily V, M a SA,
-
Bez pájení – rychlá, bezpečná a čistá montáž.
Každý spoj je mechanicky stabilní, plynotěsný a odolný proti vibracím i změnám teploty.
Lisovací technologie zaručuje dlouhodobě spolehlivý provoz bez úniků a nutnosti údržby.
Hlavní výhody produktu
✅ Certifikováno pro plynové rozvody dle EN 1775
✅ SC-Contur – odhalí nelisované spoje při tlakové zkoušce
✅ Žluté HNBR těsnění – určeno výhradně pro plyn
✅ Měď Cu-DHP – dlouhá životnost, pevnost a odolnost
✅ Rychlá montáž bez pájení a bez otevřeného ohně
Proč nakoupit právě u nás?
✔️ Rychlá expedice ze skladu
✔️ Odborné technické poradenství
✔️ Férové ceny a originální produkty značky Viega
Časté dotazy (FAQ)
❓ Je tvarovka vhodná i pro vodu?
Ne, varianta Profipress G (žluté těsnění) je určena výhradně pro plyn.
❓ Jak poznám, že spoj není lisovaný?
Díky patentované technologii SC-Contur se nelisovaný spoj projeví při tlakové zkoušce.
❓ Jaký lisovací profil je vhodný?
Tvarovka je kompatibilní s profily V, M a SA.
❓ Jaká je životnost spoje?
Při správné montáži je životnost spoje více než 50 let.
Kontakt na zákaznickou podporu
📞 +420 775 950 407
📧 info@husa-shop.cz
Nevíte, jakou tvarovku zvolit? Zavolejte nám – rádi vám poradíme s výběrem vhodného rozměru nebo systému.
🛒 Výzva k akci
Kupte VIEGA PROFIPRESS G 2616.1 oblouk 90° 18 mm na husa-shop.cz – bezpečné, rychlé a profesionální řešení pro plynové rozvody bez pájení!
Doplňkové parametry
| Kategorie: | Oblouk |
|---|---|
| Záruka: | 2 roky |
| Hmotnost: | 0.05 kg |
| Materiál: | měď (Cu-DHP) |
| Norma: | EN 1775 |
| Použití: | plyn |
| Profil lisování: | V / M / SA |
| Provedení: | s vnitřním a vnějším hrdlem |
| Průměr: | 18 mm |
| Systém: | Viega Profipress G |
| Těsnění: | HNBR (žluté) |
| Typ: | lisovací oblouk |
| Úhel: | 90° |
Diskuze
Buďte první, kdo napíše příspěvek k této položce.
VICTAULIC je celosvětově uznávaný výrobce inovativních spojovacích systémů pro potrubí. Společnost je průkopníkem drážkových spojů, které nabízejí rychlou, bezpečnou a spolehlivou montáž bez nutnosti svařování. Produkty VICTAULIC nacházejí využití v průmyslu, energetice, stavebnictví i v instalatérských projektech, kde je kladen důraz na spolehlivost a úsporu času při montáži. V e-shopu HUSASHOP.cz najdete originální spojky, armatury a příslušenství VICTAULIC pro profesionální použití.
