VIEGA PROFIPRESS G 2618 T-kus 54x42x54mm, lisovací, plyn, měď
Kód: 346119Související produkty
Detailní popis produktu
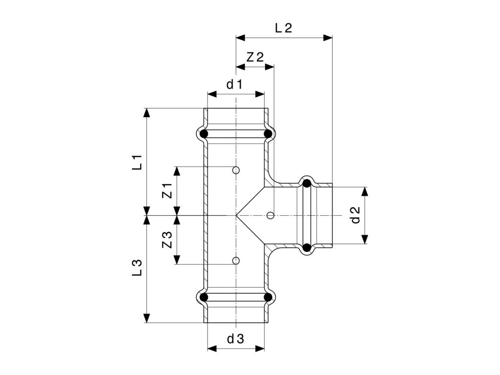
VIEGA PROFIPRESS G 2618 T-kus 54×42×54 mm je profesionální měděná redukční lisovací tvarovka, určená pro bezpečné a trvale těsné rozbočení plynového potrubí s redukovanou odbočkou.
Je součástí systému Viega Profipress G, navrženého speciálně pro rozvody zemního plynu a propanu (LPG), a splňuje přísné požadavky normy EN 1775.
Tento T-kus umožňuje průchozí vedení DN54 a současně odbočku DN42, což je ideální řešení při napojení vedlejší větve s vyšším průtokem na hlavní plynový rozvod.
Lisovací technologie zajišťuje rychlou, bezpečnou a čistou montáž bez pájení, eliminuje práci s otevřeným ohněm a výrazně zvyšuje bezpečnost instalace.
Tvarovka je vyrobena z vysoce kvalitní mědi Cu-DHP, která poskytuje vysokou mechanickou pevnost, odolnost proti korozi a dlouhou životnost i při vyšším zatížení systému.
Osazena je žlutým těsnicím O-kroužkem z HNBR (Hydrogenated Nitrile Butadiene Rubber), určeným výhradně pro plynové aplikace. HNBR je vysoce odolný vůči uhlovodíkům, olejům i teplotním výkyvům, což zaručuje dlouhodobou těsnost spojů.
Každá tvarovka Viega Profipress G je vybavena patentovanou bezpečnostní technologií SC-Contur (Safety Control Contour), která umožňuje spolehlivě odhalit nelisované spoje při tlakové zkoušce.
Tím je zajištěna maximální bezpečnost a kontrola kvality celé plynové instalace.
Systém Viega Profipress G splňuje normy EN 1775, ČSN EN 1254-7 a DVGW a je kompatibilní s lisovacími profily V, M a SA.
Použití:
-
rozbočení plynového potrubí DN54 s redukovanou odbočkou DN42,
-
napojení vedlejší plynové větve s vyšším průtokem,
-
bytové domy, komerční objekty i průmyslové instalace,
-
montáž bez pájení – bezpečná, rychlá a čistá.
Hlavní výhody produktu
✅ Průchozí rozměr 54 mm + redukovaná odbočka 42 mm
✅ Certifikace dle EN 1775 – určeno pro plyn
✅ SC-Contur – detekce nelisovaných spojů
✅ HNBR těsnění – vysoká odolnost vůči plynu
✅ Měď Cu-DHP – pevná, spolehlivá a nekorodující
Proč nakoupit právě u nás?
✔️ Rychlá expedice
✔️ Odborné technické poradenství
✔️ Ověřený sortiment originálních tvarovek Viega
Časté dotazy (FAQ)
❓ Je tento T-kus určen pouze pro plyn?
Ano, řada Profipress G je určena výhradně pro plynové rozvody.
❓ Kde je redukce u rozměru 54×42×54 mm?
Redukce je pouze v odbočce (DN42), průchozí potrubí zůstává DN54.
❓ Jak poznám nelisovaný spoj?
Díky technologii SC-Contur se nelisovaný spoj projeví při tlakové zkoušce.
❓ Jaké lisovací profily mohu použít?
Tvarovka je kompatibilní s profily V, M a SA.
Kontakt na zákaznickou podporu
📞 +420 775 950 407
📧 info@husa-shop.cz
Nevíte, kterou redukční variantu zvolit? Ozvěte se nám – rádi poradíme.
🛒 Výzva k akci
Kupte VIEGA PROFIPRESS G 2618 T-kus 54×42×54 mm na husa-shop.cz – profesionální redukční lisovací tvarovku pro plyn s HNBR těsněním a SC-Contur systémem!
Doplňkové parametry
| Kategorie: | T-kus |
|---|---|
| Záruka: | 2 roky |
| Hmotnost: | 0.85 kg |
| Materiál: | měď (Cu-DHP) |
| Norma: | EN 1775 |
| Použití: | plyn |
| Profil lisování: | V / M / SA |
| Rozměr: | 54×42×54 mm |
| Systém: | Viega Profipress G |
| Těsnění: | HNBR (žluté) |
| Typ: | T-kus redukovaný |
Diskuze
Buďte první, kdo napíše příspěvek k této položce.
VICTAULIC je celosvětově uznávaný výrobce inovativních spojovacích systémů pro potrubí. Společnost je průkopníkem drážkových spojů, které nabízejí rychlou, bezpečnou a spolehlivou montáž bez nutnosti svařování. Produkty VICTAULIC nacházejí využití v průmyslu, energetice, stavebnictví i v instalatérských projektech, kde je kladen důraz na spolehlivost a úsporu času při montáži. V e-shopu HUSASHOP.cz najdete originální spojky, armatury a příslušenství VICTAULIC pro profesionální použití.
